聯系人:王經理
銷售電話:13371051536
銷售QQ:1401548526
公司地址:山東省濰坊市高新區光電路155號光電產業加速器(一期)
13371051536

PRODUCT CENTER
聯系人:王經理
銷售電話:13371051536
銷售QQ:1401548526
公司地址:山東省濰坊市高新區光電路155號光電產業加速器(一期)

【產品簡介】土壤鹽分傳感器又稱土壤電導率含鹽量傳感器,土壤鹽分傳感器廣泛適用于科學實驗、溫室大棚、花卉蔬菜、草地牧場、土壤速測、植物培養等鹽分含量的測量。
一、土壤鹽分傳感器技術指標
土壤鹽分傳感器又稱土壤電導率含鹽量傳感器,土壤鹽分傳感器廣泛適用于科學實驗、溫室大棚、花卉蔬菜、草地牧場、土壤速測、植物培養等鹽分含量的測量。
1.供電:DC12V
2.功耗:小于0.1W
3.工作溫度:-30~70℃
4.通信接口:RS485
5.工作電流:8mA DC12V
6.最短數據間隔:60S
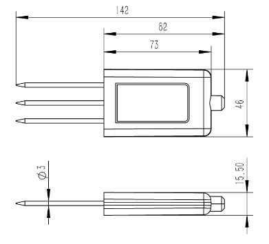
二、土壤鹽分傳感器產品尺寸圖

三、土壤鹽分傳感器使用注意事項
1.傳感器安裝應嚴格按照安裝使用說明書進行。
2.多個傳感器同時工作時,必須間隔5米以上距離。
3.傳感器測量原理限制,傳感器測量地為中心半徑5米范圍內不應有電磁線纜和強磁輻射干擾,
避免造成傳感器測量的巨大誤差和損壞。
4.傳感器的安裝環境應該符合傳感器的測量范圍,避免超量程等不規范行為。
5.傳感器安裝應避開強酸強堿、重油污重金屬環境進行。
6.傳感器為土壤測量傳感器,禁止將本傳感器對其他行為。
7.傳感器安裝環境不能有強振動。
8.傳感器不能有過強外力作用。
9.禁止拆卸,私自拆卸將不提供任何服務。
10.傳感器探針較為鋒利,使用時應按規定注意佩戴護具。
11.設備使用和維護應嚴格按照上述注意事項進行,如有違規使用的行為,本司不承擔相關負責。
四、土壤鹽分傳感器傳感器參數
| 參數 | 測量范圍 | 精度 | 分辨率 | 單位 |
| 土壤電導率 | 0~20000 | ±3%(15℃,0~10000us/cm)±5%(全量程) | 1 | us/cm |
| 土壤含鹽量 | 0~12800 | ±3% | 1 | mg/L |
影響作物生長的因素很多,其中日照、水分、溫度、土壤酸堿度和肥料都是最重要的因素。
土壤墑情監測系統對地下水水質的反饋就變得很關鍵,我們通過對地下水水質的監測,可以判斷水污染的具體情況,然后對科學研究也有很重要的作用
因此,為保證土壤水分適宜,在農田中,預先進行的一項土壤水分測定工作。目前,很多地區都使用移動式土壤墑情監測儀來進行土壤水分的測定。
機械式土壤墑情監測站是一種用于測量土壤水分含量的設備。它通過在土壤中放置傳感器,對土壤進行長期監測,以了解土壤中的水分含量、溫度、濕度等參數。機械式土壤墑情監測站可以幫助農民、研究人員和政府部門了解土壤的水分狀況,為農業生產、水資源管理和環境保護提供數據支持。